果洛仕荡家具有限公司

在线咨询1
在线咨询2
设为首页 加入收藏
 干油润滑部分
单线式集中润滑系统介绍
双线式集中润滑系统介绍
电动润滑泵
 
手(脚)动润滑泵
 
加油泵
 
气动泵
 
双线分配器
 
单线分配器
 
压力操纵、控制、换向阀及其附件
 
 稀油润滑部分
稀油集中润滑系统设计介绍
稀油润滑装置及稀油站
 
高(低)压稀油站
 
稀油润滑元件
 
 管件部分
 
 油气润滑部分
油气润滑系统设计介绍
油气润滑系统的形式
 
油气润滑系统产品
 
 电气控制部分
 
 
DRB-L系列电动润滑泵(20MPa)

一、概述
DRB-L系列电动润滑泵适用于润滑点多,分布范围广,给油频率高的双线式干油集中润滑系统。通过双线分配器向润滑部位供送润滑脂,可满足各种机器设备的需要,对于大型机组和生产线尤为适宜。
该系列电动润滑泵可组成双线环式集中润滑系统,即系统的主管路组成环状布置,由返回润滑泵的主管道末端的系统压力来控制液压换向阀,使两条主管道交替地供送润滑脂的集中润滑系统;见外形图和外形尺寸表的规定。也可组成双线终端式集中润滑系统,即由主管道末端的压力操纵阀来控制电磁。换向阀交替地使两条主管道供送润滑脂的集中润滑系统,也见外形图和外形尺寸的规定。
该系列电动润滑泵采用双柱塞机构,运转可靠,减速机构置于泵体内,结构紧凑,体积小,配以相应的电控箱可以实现自动控制。

二、技术参数

型号
公称压力MPa
公称流量
贮油器
配管方式
电机型号
电动机功率kW
减速比
转速r/min
减速器润滑油量L
重量kg
标准型号
引进型号
ml/min
容积L
DRB-L60Z-H
U-25AL
20
60
20
环式
A02-7124
0.37
1:15
100
1
140
DRB-L60Z-Z
U-25AE
终端式
160
DRB-L195Z-H
U-4AL
195
35
环式
Y802-4
0.75
1:20
75
2
210
DRB-L195Z-Z
U-4AE
终端式
230
DRB-L585Z-H
U-5AL
585
90
环式
Y90L-4
1.5
5
456
DRB-L585Z-Z
U-5AE
终端式
416
使用介质为锥入度不低于265(25℃,150g)1/10mm的润滑脂(NLGI0#-2#)。
 
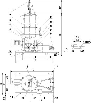
DRB-L系列电动润滑泵外形尺寸
型号
L
B
H
L1
L2
L3
L4
B1
B2
B3
B4
DRB-L60Z-H
640
360
986
500
70
126
290
320
157
23
42
DRB-L60Z-Z
780
640
450
200
160
DRB-L195Z-H
800
452
1056
600
100
125
300
420
226
39
42
DRB-L195Z-Z
891
800
500
160
DRB-L585Z-H
1160
585
1335
860
150
100
667
520
476
244
111
DRB-L585Z-Z
667
239
160
 
型号
B5
B6
H1
H2
H3
H4
D
d
地脚螺栓
最大
最小
DRB-L60Z-H
118
20
598
155
60
130
-
269
14
M12x200
DRB-L60Z-Z
-
85
DRB-L195Z-H
118
16
687
167
83
164
-
319
18
M16x400
DRB-L195Z-Z
-
108
DRB-L585Z-H
226
22
815
170
110
248
277
457
22
M20x500
DRB-L585Z-Z
-
135
-
 
三、型号说明                            
          
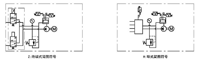
四、图型符号
 
 
五、接线指示
 
六、工作原理
该系列电动润滑泵由柱塞泵、贮油器、换向阀、电动机等部分组成。柱塞泵在电动机的驱动下,从贮油器吸入润滑脂,压送到换向阀,通过换向阀交替地沿两个出油口输送出去,当一个出油口压送润滑脂时,另一出油口与贮油器接通卸荷。
环式结构电动润滑泵配用液压换向阀,有四个接口,外接两根供油主管分别由两根供油管引回的回油管,依靠回油管内油脂的油压推动换向阀换向。
终端式结构电动润滑泵配用电磁换向阀,有二个接口,外接二根供油主管,依靠电磁铁的得失电实现换向供油。
柱塞泵换向阀的动作原理详见使用说明书。
 
七、使用说明
1、该系列电动润滑泵应安装在环境温度合适,灰尘少,振动小,便于调整、检查、维护保养及补脂方便的地方并且尽可能布置在系统的中心位置,缩短系统配管长度,保持最低压力降,使泵能产生足以克服润滑点阻力的压力。
2、使用前先向柱塞泵的减速腔内加入N220的工业齿轮油至油标规定液面。
3、向贮油器内补脂使用DJB-V70型电动加油泵从润滑泵的补给口补进,使用的润滑脂应清洁,不允许夹杂有污物。
4、润滑泵的回转方向是单向的,使用时必须按电机上旋向牌规定的旋向接线使用。
5、泵溢流阀的标准设定压力为23MPa,可以在0~20MPa范围内任意调节,在使用时不允许超过泵公称压力的15%(23MPa)。
6、环式润滑泵的液压换向阀的设定压力按5MPa调定。
7、该系列电动润滑泵为室内安装型,在室外或环境恶劣的场合使用时,必须采取防护措施。
 
八、外型图
DRB-L60Z-H、DRB-L195Z-H型电动泵外形图                     DRB-L585Z-H型电动泵外形图
 
DRB-L60Z-Z, DRZB-L195Z-Z型电动泵外形图                     DRB-L585Z-Z型电动泵外形图
 
九、订货须知
1、本系列电动润滑泵配用以下四种形式标准电控箱,可根据不同控制要求选择。
1.1 DEA-2E型终端式电控箱
1.2 DEA-2L型环式电控箱
1.3 R1902型环式带补脂控制电控箱
1.4 R1904型终端式带补脂控制电控箱
2、本系列电动润滑泵分部件订购按下表选型
 
Copyright © 2012 上海玖仟润滑设备有限公司 公司地址:上海市宝山区河曲路118号 办公地址:上海市宝山区殷高路16弄2号1003室
电话:021-35365056 35365057 传真:021-23025976 网址:www.veplmm.cn E-mail:shanghai9000@126.com
主站蜘蛛池模板: 昂仁县| 丰城市| 农安县| 平谷区| 棋牌| 富顺县| 四平市| 镇平县| 定安县| 永州市| 黄骅市| 满洲里市| 塔城市| 息烽县| 永和县| 印江| 富顺县| 增城市| 武乡县| 漳州市| 涿州市| 鄂州市| 鄢陵县| 长泰县| 河曲县| 赣州市| 无极县| 吉木乃县| 商都县| 扎囊县| 林州市| 密云县| 义乌市| 双柏县| 盱眙县| 平泉县| 贡嘎县| 长顺县| 苍南县| 恭城| 正定县|