果洛仕荡家具有限公司

在线咨询1
在线咨询2
设为首页 加入收藏
 干油润滑部分
单线式集中润滑系统介绍
双线式集中润滑系统介绍
电动润滑泵
 
手(脚)动润滑泵
 
加油泵
 
气动泵
 
双线分配器
 
单线分配器
 
压力操纵、控制、换向阀及其附件
 
 稀油润滑部分
稀油集中润滑系统设计介绍
稀油润滑装置及稀油站
 
高(低)压稀油站
 
稀油润滑元件
 
 管件部分
 
 油气润滑部分
油气润滑系统设计介绍
油气润滑系统的形式
 
油气润滑系统产品
 
 电气控制部分
 
 
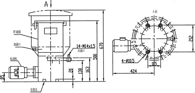
DDRB-N型多点润滑泵(31.5MPa)

一、概 述

DDRB-N(原ZB)型多点润滑泵适用于润滑频率较低,润滑点在50点以下,公称压力为31.5MPa的多线式中小型机械设备集中润滑系统中,直接或通过单线分配器向各润滑点供送润滑脂的输送供油装置。特别适用于冶金、矿山、重机、港口运输建筑等单机设备。



二、技术参数

出油口数
公称压力Mpa
每日排量ml/次
贮油容积L
给油次数
电机功率kW
重量kg
1~14
31.5
1.8;3.5
5.8;10.5
10 30
22
0.18
43

使用介质为锥入度不低于265(25℃,150g)1/10mm的润滑脂或粘度等级大于N68的润滑油,工作环境温度为-20~80℃。


三、型号说明                            
          
四、动作说明
 
DDRB-N型多点润滑泵主要由贮油器、减速机构、压油柱塞泵和电动机等部分组成。
电动机驱动蜗杆、蜗轮减速转动,蜗轮轴带动偏心驱动轮以低速转动,由驱动轮的拉盘带动压油柱塞泵元件柱塞作往复的吸压油运动,从而各泵元件的出油口向外排出润滑剂。
 
五、外形尺寸
 
六、使用要领
1、该型多点润滑泵应安装在环境温度合适,灰尘少,便于检查、维护保养及方便补脂的地方。
2、向贮油器内补脂必须使用加油泵从贮油器的加油口加入,严禁揭盖加入不经过滤的使用介质。
3、按贮油器筒壁上旋向牌规定的旋向进行电机接线,不得反转。
4、给油口数可在1~14范围内任意选择,根据设备需要不用的压油柱塞泵元件可以自行拆下,螺孔用M20×1.5螺塞封堵即可。
5、给油量的调整,按下图调节序3螺套的位置即可获得。
1—工作活塞 2—控制活塞 3—调节螺套 4—单向阀
 
Copyright © 2012 上海玖仟润滑设备有限公司 公司地址:上海市宝山区河曲路118号 办公地址:上海市宝山区殷高路16弄2号1003室
电话:021-35365056 35365057 传真:021-23025976 网址:www.veplmm.cn E-mail:shanghai9000@126.com
主站蜘蛛池模板: 平顺县| 万源市| 金坛市| 革吉县| 林州市| 乡宁县| 河源市| 西华县| 南江县| 偏关县| 彩票| 淮南市| 德钦县| 罗田县| 灌云县| 红河县| 苍南县| 八宿县| 建昌县| 梁山县| 洛浦县| 九台市| 布尔津县| 鸡东县| 华阴市| 奉化市| 龙江县| 博白县| 横峰县| 贞丰县| 冀州市| 乌苏市| 噶尔县| 汝南县| 丘北县| 潮州市| 徐闻县| 内乡县| 莎车县| 弥渡县| 来安县|