果洛仕荡家具有限公司
在线咨询1
在线咨询2
设为首页
加入收藏
干油润滑部分
单线式集中润滑系统介绍
双线式集中润滑系统介绍
电动润滑泵
电动润滑泵
HB-P电动润滑泵
DRB-P电动润滑泵
ZPU型电动润滑泵
双列式电动润滑脂泵
DB-N单线润滑泵
DDRB-N型多点润滑泵
CDQ型电动润滑泵装置
DRB-L系列电动润滑泵
DRB-J系列电动润滑泵
DDB系列多点干油泵
DB、DBZ型单线干油泵
DXZ系列电动干油站
手(脚)动润滑泵
手(脚)动润滑泵
SRB手动润滑泵
SRB-J/L手动润滑泵
SGZ-8型手动润滑泵
SGZ-4/8F型手动润滑泵
KMPS单线手动润滑泵
JRB-3型脚踏润滑泵
加油泵
加油泵
DJB-F200电动加油泵
DJB-V70型电动加油泵
DJB-H1.6型电动加油泵
DJB-V400型电动加油泵
KGP型电动加油泵
SJB-V25型手动加油泵
SJB-D60型手动加油泵
气动泵
7786型气动润滑泵
AP-840B型气动补脂泵
双线分配器
双线分配器
SSPQ-P双线分配器
SDPQ-L双线分配器
VSKV-KR双线分配器
VSKH-KR双线分配器
SSPQ双线分配器
VSL-KR双线分配器
VSG-KR双线分配器
KS系列双线分配器
KW系列双线分配器
VS系列双线分配器
VW系列双线分配器
SGQ系列双线给油器
单线分配器
单线分配器
SSV单线递进式分配器
KJ单线递进式分配器
JPQS型递进式分配器
JPQ-K递进式分配器
JPQ递进式分配器
JPQ-L单进式分配器
FP、FPX单线分配器
PSQ型片式给油器
压力操纵、控制、换向阀及其附件
压力操纵、控制、换向阀
YCK-P5型压差开关
YKQ型压力指示器
YKQ-SB型终端式压力控制器
YKF-L型压力控制阀
YZF-L4型压力操纵阀
YZF-J4型压力操纵阀
24EJF-P型二位四通换向阀
EM型电动换向阀
DR4-5型液压自动换向阀
ZYP型二位四通液压换向阀
YHF型液压换向阀
DF型电磁换向阀
GGQ-P系列干油过滤器
GPF-8型干油喷射控制阀
GJQ型干油压力表减震器
GPZ-135型干油喷射阀
PF-200型干油喷射阀
AF-K10型安全阀
分配器罩
支架
稀油润滑部分
稀油集中润滑系统设计介绍
稀油润滑装置及稀油站
XHZ型稀油润滑装置
XYHZ型稀油润滑装置
XYZ-G型稀油站
XYZ-GZ型整体式稀油站
高(低)压稀油站
GXYZ型A系列
GXYZ型B系列
GDR型双高压系列
稀油润滑元件
WBZ型卧式齿轮油泵装置
LBZ型立式齿轮泵装置
SPL、DPL型网片式油滤器
SLQ型双筒网式过滤器
SWCQ型双筒网式磁芯过滤器
CLQ型磁过滤器
Y型系列过滤器
列管式冷却器
LQ系列列管式冷却器
LC系列列管式冷却器
SGLL型双联油冷却器
FL型空气冷却器
KL型空气冷却器
YZQ型油流指示器
YXQ型油流发讯器
GZQ型给油指示器
AF型安全阀
DXF型单向阀
管件部分
焊接式管接头
焊接式端直通圆锥管螺纹管接头
卡套式端直通管接头
卡套式直通管接头
卡套式端对接直通管接头
卡套式对接直通管接头
卡套式锥螺纹直通管接头
卡套式锥螺纹对接直通管接头
锥密封焊接式铰接管接头
锥密封焊接式管接头
扩口式端直通管接头
扩口式锥螺纹直通管接头
锥密封焊接式压力表管接头
铜管用管接头
钢管用螺纹连接接头
钢管用插入焊接式接头
焊接式接头
带阀接头
旋转接头
活接头
双向接头体
锥密封钢丝
其它管接件
高压胶管总成
A、B、C型扣压式胶管接头
A型可拆式胶管接头
管夹和管托架
塑料管夹
HZJ系列管夹
ZGJ系列座式管夹
油气润滑部分
油气润滑系统设计介绍
油气润滑系统的形式
单线二分式油气润滑系统
单线混分式油气润滑系统
单线—多区式油气润滑系统
单线卸压式油气润滑系统
双线式油气润滑系统
双线—递进式油气润滑系统
油气润滑系统产品
单线油—气供应站
ZRTYQZ-0.28/*型油气供应站
ZRWYQZ-*/*-B型油气供应站
双线油—气供应站
单线卸压式油—气供应站
SMX*-YQ型油—气分配混合器
QHQ-J型油—气分配混合器
ZRFLG*型油气分流器
ZRFLK*型油气分流器
YQWXZ-G型油气卫星站
AVE型油气分配混合器
DMM*-YQ型双线油气分配混合器
电气控制部分
GDK02型电气控制箱
GDK03型电气控制箱
DEA-2L型电气控制箱
DEA-2E型电气控制箱
R1902型电气控制箱
R1904型电气控制箱
DRB-P系列电动润滑泵及装置(40MPa)
一、概述
DRB-P系列电动润滑泵适用于润滑频率高,配管长度大,润滑点密集的单、双线干稀油集中润滑系统中,作为供给润滑脂的输送装置。还可配备移动小车、胶管、油枪和电缆组成移动式电动润滑泵装置,适用于润滑频率低,润滑点少,给油量大,不便于采用集中润滑的单机设备,进行移动供脂润滑。
该系列润滑泵为电动高压柱塞式。工作压力在公称压力范围内可任意调整,有双重过载保护。贮油桶具有油位自动报警装置,润滑泵若配备电气控制箱能实现双线集中润滑系统全自动控制,并对系统实现监视。
二、技术参数
型 号
公称压力MPa
额定给油量mL/min
贮油器容积L
电机
适用环境温度
重 量kg
功率kW
电压
DRB1-P120Z
40
120
30
0.37
380
0~80
56
DRB2-P120Z
0.75
-20~80
64
DRB3-P120Z
60
0.37
0~80
60
DRB4-P120Z
0.75
-20~80
68
DRB5-P235Z
235
30
1.5
0~80
70
DRB6-P235Z
60
74
DRB7-P235Z
100
82
DRB8-P365Z
365
60
74
DRB9-P365Z
100
82
使用介质为锥入度不低于220(25℃,150g)1/10mm 的润滑脂(NLGI0#-3#)和粘度等级大于N68 的润滑油。
三、型号说明
四、型号说明
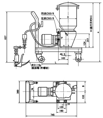
五、外形尺寸
规格
D
H
H1
B
L
L1
a
贮油筒
30L
310
760
1140
200
—
233
1045
60L
400
810
1190
230
—
278
1095
100L
500
920
1200
280
—
328
1205
电机功率
0.37kW.80r/min
—
—
—
—
500
—
—
0.75kW.80r/min
—
—
—
—
563
—
—
1.5kW.160r/min
—
—
—
—
575
—
—
1.5kW.250r/min
—
—
—
—
575
—
—
(1)润滑泵的外形尺寸 (2)带小车润滑装置外形尺寸
(3)双泵带电动换向阀润滑装置外形尺寸
六、工作原理
减速电机固定于带泵装置的连接法兰上,通过驱动偏心轴带动滑叉作直线往复运动,并带动螺旋压油板和刮油板顺时针方向旋转(使用润滑油无此机构),经搅动变软的润滑脂均匀地被压到泵装置吸油口周围。
泵体内二组活塞,每组活塞由1个工作塞和2个控制活塞组成,当一组活塞中的工作活塞完成吸油过程时,另一组活塞中的工作活塞则把润滑脂压向出油口。如下图所示,当滑叉向左运动时,上组活塞完成吸油,下组活塞完成压油,开始新的工作循环。这时下组活塞1、2向左运动,活塞2在弹簧力作用下到达极限位置关闭出口,而活塞1继续向左运动,这时活塞2和1之间形成真空,其真空度随活塞1的左移不断增大,滑叉运动到极限位置活塞1打开吸油口,润滑脂从吸油口吸入,如弹簧力不足,没将活塞2推到极限位置,此时推杆3会在滑叉的推动下强制地把活塞2压到极限位置,同时上组活塞1、2、3向左运动,活塞1先关闭吸油口,被吸入的润滑脂在活塞1的推动下向左移动,当活塞2把出油口打开时,活塞2和推杆3 的运动也就停止,活塞1继续左移,把润滑脂从出油口压出,活塞1、2接触滑叉也已运动到极限位置完成半个循环的工作,如此周而复始地循环,二组活塞交替地将润滑油脂从出油口压送出来,压出的润滑脂经泵装置连接法兰上的过滤器过滤后向系统供送。
使用要领
1、该系列电动润滑泵应安装在环 境合适、灰尘少,便于调整、检查、维修和拆洗及方便补脂的地方。
2、该系列电动润滑泵应尽可能布置在系统的中心位置,缩短系统配管长度,保持最低压力降,使泵能产生足以克服润滑点背压的压力。
3、泵调压阀的设定压力,可以在0~40MPa范围内任意调节,在使用时不允许超过泵的公称压力(40MPa)。
4、泵出油口处过滤器的过滤网要定期清洗,防止堵塞。
5、若由于系列某种故障原因,使压力达到约50MPa时,保险片即破裂,要查明原因并排除后再装入新的保险片。
6、向贮油器内补充润滑剂必须使用DJB-H1.6型电动补脂泵从贮器补脂口加入。
7、贮油器内薄膜式容量指示器只适用于润滑脂,使用介质为润滑油时,必须调换成浮球式容量指示器。
8、电动减速机初用二个月必须从排气塞孔补充适量的3#二硫化钼润滑 脂,以后每隔四个月补充一次。
9、该系列电动润滑泵为室内安装型,在室外或环境恶劣的场合使用时,必须采取防护措施。
订贷说明
1、订购移动式电动润滑泵装置,必须在合同中注明所配胶管长度及电缆长度,不注的均按电缆10米,胶管3米供货。
2、本系列电动润滑泵配用以下三种形式标准电控箱,可根据不同控制要求选择订购。
2.1 GDK01型无监控电控箱
2.2 GDK02型有监控电控箱
2.3 GDK03型有监控,全自动控制电控箱
3、该系列电动润滑泵为短时间间隔工作制,有户如需长时间连接工作请合同中注明。
随供备件
1、保险片 10片(存放于泵出油口下侧的螺孔内)
2、过滤网 2套
Copyright © 2012 上海玖仟润滑设备有限公司 公司地址:上海市宝山区河曲路118号 办公地址:上海市宝山区殷高路16弄2号1003室
电话:021-35365056 35365057 传真:021-23025976 网址:www.veplmm.cn E-mail:shanghai9000@126.com
主站蜘蛛池模板:
民和
|
梅河口市
|
普定县
|
宜丰县
|
阳新县
|
芦溪县
|
喀喇沁旗
|
海城市
|
锡林郭勒盟
|
十堰市
|
越西县
|
临泽县
|
镇原县
|
赤城县
|
西充县
|
井陉县
|
广德县
|
佛教
|
奉节县
|
乳山市
|
葵青区
|
永德县
|
清河县
|
桐城市
|
衡南县
|
拉孜县
|
邻水
|
新竹市
|
罗江县
|
合山市
|
汉阴县
|
河池市
|
金山区
|
利川市
|
农安县
|
遵化市
|
北流市
|
桓仁
|
屏南县
|
开化县
|
汉源县
|